Introduction
The engine control system of the diavel is equipped with two absolute pressure sensors, with one connected to the intake duct of each cylinder (map 1 cylinder 1 - horizontal - map 2 cylinder 2 - vertical). They are used by the control unit to determine the quantity of fuel to be injected according to the speed-density strategy and to determine the atmospheric pressure (necessary information to correct the carburation in accordance with the altimetric measurement).
Components assembling position

The absolute pressure sensors of the vertical (1) and horizontal (2) cylinders are fixed near the airbox (the image shows also the position of the sensor connection).
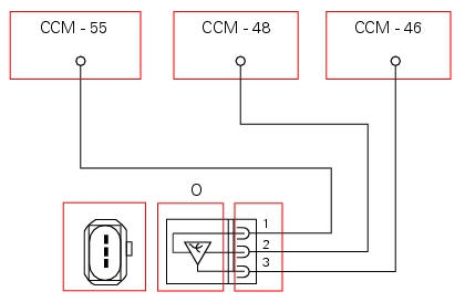
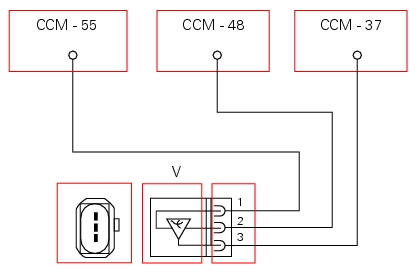
Wiring diagram

O absolute pressure sensor 1, horizontal cylinder. Ccm engine control connection, 1 ground, black/purple - bk/v, 2 power (5v), brown/purple - bn/v, 3 signal generated, green/white - g/w.

V absolute pressure sensor 2 vertical cylinder. Ccm engine control connection, 1 ground, black/purple - bk/v, 2 power (5v), brown/purple - bn/v, 3 signal generated, green/white - g/w.
In the event of fault
In the event of a fault of absolute pressure sensor 1, the engine control unit uses the information from absolute pressure sensor 2 instead.
In the event of a fault of absolute pressure sensor 2, the engine control unit uses the information from absolute pressure sensor 1 instead.
In the event of a fault of both absolute pressure sensor 1 and absolute pressure sensor 2:
Fault codes generated and possible correlated faults
Fault codes generated by the engine control unit and displayed by the dds (maps 1 sensor diagnosis - maps 2 sensor diagnosis):
Note
Check integrity of electric circuit - short-circuit to vdc = with dashboard on, using a voltmeter, a voltage is measured between the wire tested and ground.
Check integrity of electric circuit - short-circuit to ground = with the battery cables disconnected, using an ohmmeter, continuity is detected between the wire tested and ground.
Check integrity of electric circuit - open circuit = with the battery cables disconnected, using an ohmmeter, no continuity is detected between the two ends of the wire tested.
The dashboard service display shows the error "pressure" and the eobd warning light activates.
Possible correlated faults: inadequate engine power, irregular idle speed (target idle speed is 1350 rpm with engine stabilised at operating temperature). Check:
The dds may be used to read the absolute pressure value within the two intake ducts.
If none of the aforementioned tests identify the problem and the absolute pressure sensors are in proper working order, replace the engine control unit.
Component replacement methods
No special measures are necessary in order to replace absolute pressure sensor 1 and absolute pressure sensor 2, (check integrity of the rubber pipes via which they are connected to the two intake ducts). After replacing one or both of the pressure sensors, reset the self-adaptive parameters relative to carburation with the dds.
Engine temperature sensor
Oxygen sensorsClutch lever
Lever (1) disengages the clutch. It features a dial adjuster (2)
for lever distance from the twistgrip on handlebar.
The lever distance can be adjusted through 10 clicks of the
dial (2). Turn clockwise to increase lever distance from the
twistgrip. Turn the adjuster counter clockwise to decrea ...
Introduction to the "hands free" system
The hands free system allows the rider to start the engine without physically
using the ignition key. The ignition key
merely has to be in the vicinity of the motorcycle, such as in the rider's
pocket, for example, in order to use the vehicle.
Compared to the standard ignition switches the h ...
Dashes shown instead of speed indication or indicated speed is incorrect
Fault codes
Dds: speed sensor diagnosis -> max. Speed (max. Speed error - signal not
correct) - minimum speed (min speed error -
signal not correct) - congruence (correlation speed error - signal not correct).
Dashboard: the error "speed sensor" is shown on the service display. The eobd
...