Introduction
An accelerator position sensor (aps) is mounted on the throttle body of the diavel, which measures the degree of aperture of the throttle grip.
Component assembling position

The accelerator position sensor is mounted on the throttle body and is held in place by two screws.

Location of accelerator position sensor connection.
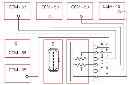
Connection wiring diagram

Ccm engine control connection, s accelerator position sensor.
Main potentiometer (p): c orange signal - o, b supply (5v) brown/red - bn/r, a ground black/orange - bk/o.
Secondary potentiometer (s): f signal, green/black - g/bk, h supply (5v) brown/black - bn/b, g ground, black/white bk/w.
The two central pins d and e of the aps connector are not connected.
In the event of fault
In the event of an accelerator position sensor fault, the ecu disables the ride-by-wire system and the engine will not start, remains running at idle or stops.
Fault codes generated and possible correlated faults
Fault codes generated by the engine control unit and displayed by the dds (accelerator position sensor diagnosis):
Note
Check integrity of electric circuit - short-circuit to vdc = with dashboard on, using a voltmeter, a voltage is measured between the wire tested and ground.
Check integrity of electric circuit - short-circuit to ground = with the battery cables disconnected, using an ohmmeter, continuity is detected between the wire tested and ground.
Check integrity of electric circuit - open circuit = with the battery cables disconnected, using an ohmmeter, no continuity is detected between the two ends of the wire tested.
The dashboard service display shows the error "accelerator position" and the eobd warning light activates.
Possible correlated faults: inadequate engine power, incorrect idle speed (target idle speed is 1350 rpm with engine stabilised at operating temperature).
Check:
Throttle grip aperture may be checked using the dds.
If none of the tests described above identify the problem and the accelerator position sensor is in proper working order, contact ducati.
Component replacement methods
The aps sensor cannot be replaced individually. In case of fault it will not be necessary to replace the whole throttle body (see "operating principle and characteristics of the ride-by-wire system" of this section).
Correctly adjust the cables connecting the throttle grip to the throttle grip position sensor
Engine speed-timing sensor
Throttle valve position sensorKey-on/key-off using the key on the hands free lock with the active key
Key-on can be performed by pressing the button (7) on the
hands free lock (1, fig. 77) And with the presence of the
active key (3, fig. 77).
Note
The active key (3, fig. 77) Has a range of approx. 1.5 M,
therefore it must be located within this range.
Key-off can be performed by pressing the ...
Total distance covered indicator: "odometer"
This function shows the total distance covered by the vehicle
(in km or miles depending on the specific application).
At key-on the system automatically enters this function.
The odometer reading is stored permanently and cannot be
reset.
If the distance travelled exceeds 199999 km (or 19 ...
Removal of the evaporative emissions canister
Loosen the screws (9) securing the plate (8) to the tank.
Slightly pull the plate (8) with the canister (13), remove the clamps (3) and
(12) and connect hoses (7) and (14).
Release the retainers (b) of the plate (8) to remove it from the canister
(13).
Disconnect the hose ...