Introduction
The fuel pump, injectors and ignition coils are all powered via the injection relay. The relay also sends voltage to the engine control unit, which enables activation of the relay itself.
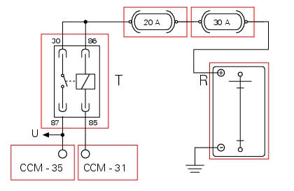
Component assembling position

A injection relay; b etv relay (throttle valve actuator motor), c radiator fan relay, d engine control unit.
Connection wiring diagram

Ccm engine control connection, t injection relay. 85 Brown/black - bn/bk injection relay activation, 87 brown/white-bn/w ecu input voltage, u direct power to injectors, ignition coils and fuel pump, r battery power (+30), 30 and 86 brown - bn.
In the event of fault
In the event of an injection relay fault, the engine stops (if running) or will not start. The relay is not commanded by the ecu.
Fault codes generated and possible correlated faults
Fault codes generated by the engine control unit and displayed by the dds (fuel injection relay diagnosis):
Note
Check integrity of electric circuit - short-circuit to vdc = with dashboard on, using a voltmeter, a voltage is measured between the wire tested and ground.
Check integrity of electric circuit - short-circuit to ground = with the battery cables disconnected, using an ohmmeter, continuity is detected between the wire tested and ground.
Check integrity of electric circuit - open circuit = with the battery cables disconnected, using an ohmmeter, no continuity is detected between the two ends of the wire tested.
The dashboard service display shows the error "fuel injection" and the eobd warning light activates.
Possible correlated faults: the engine stops (if running) or will not start. Check:
Using the dds, activate the ignition coils, the fuel pump or the injectors. The injection relay is driven and its contacts (pin 87 and pin 30) should close.
If none of the aforementioned tests identify the problem and the relay is in proper working order, replace the engine control unit.
Component replacement methods
No special measures are necessary in order to replace the injection relay.
Side stand button
Throttle valve actuator motor relayStoring the bike away
If the motorcycle is to be left unridden over long periods, it is
advisable to carry out the following operations before storing
it away:
clean the motorcycle;
empty the fuel tank;
pour a few drops of engine oil into the cylinders through the
spark plug bores, then turn the engine over by hand ...
Explanation of the function of the ride-by-wire system
Mechanism
Via metal cables, the throttle grip operates a roller mounted on one end of a
spindle located near the horizontal cylinder
throttle valve spindle.
The aps sensor, which measures the position of the throttle grip itself, is
mounted on the opposite end of this spindle.
A mechanic ...
Changing the clutch fluid
Warning
Clutch fluid will damage painted surfaces if spilled on them. It is
also very harmful if it comes into contact with the skin or
with the eyes; in the event of accidental contact wash the affected area with
abundant running water.
Remove cover (1) and membrane from the clutch fluid res ...