Introduction
The injectors used on the diavel are top feed units, meaning that fuel is fed into the top of the injector itself. The injectors contain a winding which raises a needle when electrically energised. This opens the atomiser nozzle, through which pressurised fuel is dispensed, generating the spray that mixes with the air aspirated by the engine. To ensure that The spray consists of perfectly atomised fuel, the atomiser nozzle has twelve holes. Each cylinder has an injector, located underneath the respective throttle valve. The injector aperture time is determined by the engine control unit to ensure that the correct quantity of fuel is injected (carburation).

The graph shows the quantitative variation in the signal sent to the injector by the ecu in relation to time. The ecu commands injector aperture by creating a connection to ground at one of the terminals of the injector's electric winding.
The other terminal receives 12v power supply voltage.
Component assembling position

The injectors are located on the intake ducts, underneath the throttle valve. The respective electrical connection is integrated into the injector body.
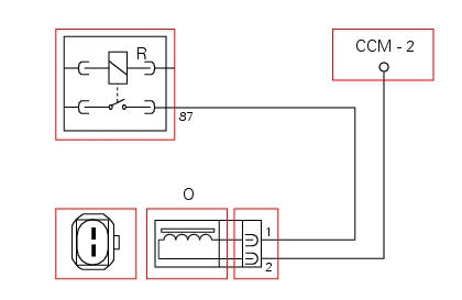
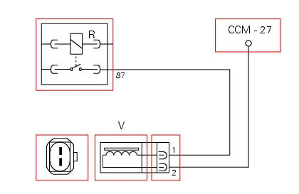
Connection wiring diagram

O horizontal cylinder injector, r injection relay. Ccm engine control connection, 1 power connection (12v) via injection relay (brown/white - bn/w), 2 connection to control unit (pink/yellow - p/y).

V vertical cylinder injector, r injection relay. Ccm engine control connection, 1 power connection (12v) via injection relay (brown/white - bn/w), 2 connection to control unit (green/yellow - g/y).
In the event of fault
The cylinder associated with the faulty injector does not function.
Fault codes generated and possible correlated faults
Fault codes generated by engine control unit and displayed by dds (vertical injector diagnosis (inj. 2), Horizontal injector diagnosis (inj. 1)):
Check integrity of electric circuit - short-circuit to vdc = with dashboard on, using a voltmeter, a voltage is measured between the wire tested and ground.
Check integrity of electric circuit - short-circuit to ground = with the battery cables disconnected, using an ohmmeter, continuity is detected between the wire tested and ground.
Check integrity of electric circuit - open circuit = with the battery cables disconnected, using an ohmmeter, no continuity is detected between the two ends of the wire tested.
The dashboard service display shows the error "injector" and the eobd warning light activates.
Possible correlated faults:
The injectors may be actuated from the dds to check that they function correctly.
If none of the aforementioned tests identify the problem and the injectors are in proper working order, replace the engine control unit.
Component replacement methods
The injectors replacement do not foresee particular measures, proceed as described in sect. 8 - 6, Removal of the fuel injectors. With the fuel system pressurised, check that there are no fuel leaks from the connector. After replacement of one or both of the injectors, reset the self-adaptive parameters relative to carburation with the dds.
Ignition coils
Throttle valve operation engineCheck the idle and the co amount with warm engine
Start the engine;
Switch on the dds and check that it does not signal any error (otherwise
consult the relevant paragraph of this manual
to reset the error and proceed with the idle check);
Enter the "self diagnosis" menu by selecting the diavel model in the
available vehicle version. ...
Tft - parameter setting/display
Warning
Any adjustments to the dashboard must only be carried out when the
motorcycle is stationary. Never operate the
dashboard controls while riding the motorcycle.
At the end of the check, the dashboard always displays as the "main"
indication the odometer (tot) on the left and the
averag ...
Adjusting throttle control free play
The throttle twistgrip must have free play of 1.5×2.0 Mm in
all steering positions, measured on the outer edge of the
twistgrip. If necessary, adjust it using the adjusters (1 and 2,
fig. 135) Located on the headstock on the right-hand side of
the vehicle.
Adjuster (1) is for throttle o ...