Fault codes
Dds: no fault code displayed.
Dashboard: no fault code displayed.
Wiring diagram

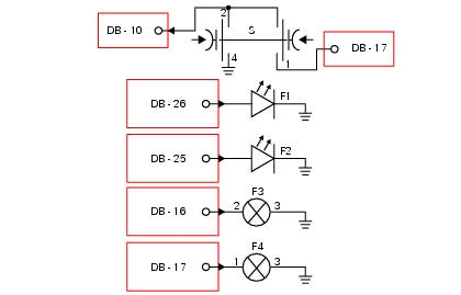
Db dashboard connection, bbs bbs unit connection, s turn indicator button, f1 front left turn indicator, f2 front right turn indicator, f3 rear left turn indicator, f4 rear right turn indicator. 2 On grey button - gr, 1 on red/blue button - r/b, 4 on black button - bk, db 26 white/black w/bk, db 25 green/black - g/bk, bbs 16 white/green - w/g, bbs 17 White/black w/bk.
Location of connections and components

Location of rear turn indicator and number plate light connection.

Location of left hand handlebar switchgear set connection.

Location of front right turn indicator connection.

Location of front left turn indicator connection.

Pin numbering for wiring harness side dashboard connector.

Pin numbering of wiring harness side bbs unit connection.
Horn not working
High beam flash not working - start/stop lap function not workingChecking and adjusting timing belt tension
Note
The on-screen icons used during this procedure are explained in a table at
the end of this section.
Note
This operation, which is performed using the dds diagnosis instrument, has
the advantage that it can be carried out on
both timing belts with the engine still installed on the frame. ...
Adjusting the steering head bearings
Excessive handlebar play or shaking forks in the steering head indicate that
the play in the steering head bearings
requires adjustment. Proceed as follows:
loosen the clamp screw (1) that holds the steering tube to the steering head.
Slacken the clamp screws (2) securing the steering head ...
Ignition coils
Introduction
The engine control system of the diavel includes two ignition coils: one for
the horizontal cylinder and one for the vertical
cylinder. These coils are installed directly in the spark plug wells. A diode is
installed on the secondary winding inside the
coil, which prevents the un ...