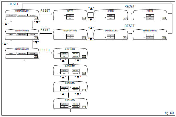
This function allows you to change the units of measurement of the displayed values.
To access the function it is necessary to view the "setting" menu page 48, using
button (1, fig. 14) ?"
" or (2, fig.
14) ?"
" select the "set units" function
and press the reset
button (12, fig. 12) To go to next page.
Use button (1, fig. 14) ?"
" or (2,
fig. 14) ?"
" to select the
value relative to the unit of measurement to be changed and
press the reset button again (12, fig. 12).
The instrument panel displays the values that can be modified; use button (1,
fig. 14) ?"
" or (2, fig. 14) ?"
" to
select the value to modify and press the reset button (12, fig.
12) Again.

"Speed" setting
This function allows to change the units of measurement of speed (and hence even the ones of distance travelled).
Currently set unit of measurement is highlighted in green on the display; use
button (1, fig. 14) ?"
" or (2, fig.
14) ?"
" to
shift the arrow on the left onto the new setting and confirm
by pressing the reset button (12, fig. 12).
Save the setting and, when coming back to main screen, any new unit of measurement set will be present.
To exit the setting function, press the reset button (12, fig.
12) Where "exit" is highlighted.
"Temperature" setting
This function allows you to change the units of measurement of the temperature.
Currently set unit of measurement is highlighted in green on the display; use
button (1, fig. 14) ?"
" or (2, fig.
14) ?"
" to
shift the arrow on the left onto the new setting and confirm
by pressing the reset button (12, fig. 12).
Save the setting and, when coming back to main screen, any new unit of measurement set will be present
To exit the setting function, press the reset button (12, fig.
12) Where "exit" is highlighted.
Consume setting
This function allows to change the units of measurement of the average and instantaneous fuel consumption.
Currently set unit of measurement is highlighted in green on the display; use
button (1, fig. 14) ?"
" or (2, fig. 14) ?"
" to
shift the arrow on the left onto the new setting and confirm
by pressing the reset button (12, fig. 12).
Save the setting and, when coming back to main screen, any new unit of measurement set will be present.
To exit the setting function, press the reset button (12, fig.
12) Where "exit" is highlighted.

Clock setting function
Abs disabling functionResidual range indication when the service is due
After resetting the first oil service warning (triggered at
1000 km), upon every key-on the system displays the
indication of which type of service should be performed next
(oil service or desmo service) and the residual range.
A (green) warning (1, fig. 32) Is activated for 2 seconds on
ever ...
Inspection of the gear selector drum
Use a gauge to measure the clearance between fork pin and the slot on the
selector drum.
If the service limit is exceeded, determine which part must be replaced by
comparing these dimensions with those of new
components (sect. 3 - 1.1, Gearbox).
Also check the wear on the drum support pin ...
Indicator cons. Avg - average fuel consumption
This function indicates the "average" fuel consumption.
The calculation is made considering the quantity of fuel used and the km
travelled since the last trip 1 reset. When trip 1
is reset, the value is set to zero and the first available value is shown on the
display 10 seconds after the re ...