Introduction
An on-off type oxygen sensor (in normal operating conditions, the voltage generated by the sensors switches between a value close to 1v and a value close to 0v) is mounted on each of the exhaust manifold of the diavel.
Each oxygen sensor has its own internal heater, which receives 12v and has a ground connection controlled by the engine control unit with a pwm (pulse width modulation) signal.

Example of a pwm signal used by the engine control unit to control the oxygen sensor heater. While the signal period is constant, the duration of the part of the signal at 0v (ground) changes, varying the time during which the heater remains electrically powered (if the ground period is close to the signal period, the heater functions continuously, if the ground period is short, the heater functions in short intervals, whereas if the ground period is zero, the heater is not functional).
Component assembling position


The two images show the oxygen sensor mounted on the exhaust manifold for the vertical cylinder and the sensor mounted on the exhaust manifold for the horizontal cylinder.


Location of vertical and horizontal cylinder oxygen sensor connections.
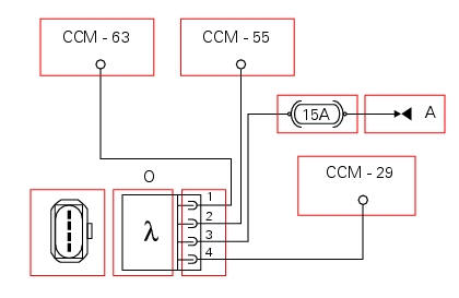
Connection wiring diagram

O horizontal cylinder oxygen sensor, ccm engine control connection. 1 Green/yellow - g/y and 2 black/purple - bk/v horizontal cylinder oxygen sensor signal input into ecu, 4 pwm signal for controlling horizontal cylinder oxygen sensor heater, light blue/yellow - lb/y, a key on positive (+15 from hands free relay 30) powering horizontal cylinder oxygen sensor heater.

V vertical cylinder oxygen sensor, ccm engine control connection. 1 Green/purple - g/v and 2 black/purple - bk/v vertical cylinder oxygen sensor signal input into ecu, 4 pwm signal for controlling vertical cylinder oxygen sensor heater, light blue/grey - lb/gr, a key on positive (+15 from hands free relay 30) powering vertical cylinder oxygen sensor heater.
In the event of fault
In the event of a fault of one or both oxygen sensors or their respective heaters:
Fault codes generated and possible correlated faults
Fault codes generated by the engine control unit and displayed by the dds (vertical o2 sensor diagnosis - horizontal o2 sensor diagnosis - vertical o2 heater diagnosis - horizontal o2 heater diagnosis):
Note
Check integrity of electric circuit - short-circuit to vdc = with dashboard on, using a voltmeter, a voltage is measured between the wire tested and ground.
Check integrity of electric circuit - short-circuit to ground = with the battery cables disconnected, using an ohmmeter, continuity is detected between the wire tested and ground.
Check integrity of electric circuit - open circuit = with the battery cables disconnected, using an ohmmeter, no continuity is detected between the two ends of the wire tested.
The dashboard service display shows the error "lambda" (lambda sensor) and/or the error "lambda heater" (lambda sensor heater).
Possible correlated faults: power delivery uneven when exiting idle speed state, irregular idle speed (target idle speed is 1350 rpm with engine stabilised at operating temperature). Check:
If the dds displays the self-adaptive parameters, this indicates that the engine control system is operating in a closed loop with the oxygen sensors. The dds also displays the voltages generated by the oxygen sensors (which must oscillate On average between approximately 0.1 V and approximately 0.8 V). Note that the self-adaptive parameters should not approach the upper and lower extremes of this range as this would indicate that the fuel-air mixture is too rich or too lean.

The graph shows the typical pattern for the voltage generated by the oxygen sensor with the engine at idle speed and at operating temperature. This voltage may be tested with an oscilloscope or even with a voltmeter, as it oscillates at low frequency.
If none of the aforementioned tests identify the problem and the oxygen sensors are in proper working order, contact ducati.
Component replacement methods
No special measures are necessary in order to replace the oxygen sensors. After replacing one or both of the oxygen sensors, reset the self-adaptive parameters relative to carburation with the dds.
Absolute pressure sensorsRemoving the frame and the lateral footrests
Loosen the two special screws (6) to separate the frame (1) from the lateral
brackets (2) and (3).
On the left side of the vehicle block retaining pins (9) and loosen the nuts (8)
on the right side at the same time.
Slide out the retaining pins (9) and remove the frame (1) from the lateral ...
Key-on/key-off using the red key on the handlebar with the active key
A key-on can be performed by pressing the red key (6) on
the handlebar in the hands free on/off position and in
the presence of the active key (3, fig. 77).
Note
The active key (3, fig. 77) Has a range of approx. 1.5 M,
therefore it must be located within this range.
Key-off can be performed ...
Refitting the rear wheel
Lubricate the wheel shaft threaded end with prescribed grease.
Insert the wheel shaft by matching (a) with pins (b).
Install spacer (3) with the conical surface faced to the wheel conical
surface, washer (2), apply prescribed grease to nut
(1) and insert it by hand (1).
Tighten the ...